ebook
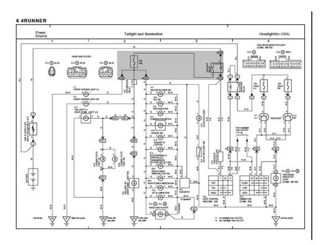
KHF 1992 Toyota 4Runner Tail Light Wiring Diagram Manual Book

Privacy Policy | DMCA | Contact DMCA

Bmw E36 Ecu Wiring Privacy Policy | DMCA | Contact DMCA
Xenon Hid Wiring Diagram Privacy Policy | DMCA | Contact DMCA
2012 Honda Cbr250Ra Wiring Diagram Privacy Policy | DMCA | Contact…
Wiring Diagram For An Evaporator Fan Motor Privacy Policy | DMCA |…
Wiring Diagram For Kia Picanto Privacy Policy | DMCA | Contact DMC…
Bmw E36 Ecu Wiring Privacy Policy | DMCA | Contact DMCA
2012 Honda Cbr250Ra Wiring Diagram Privacy Policy | DMCA | Contact…